Originally Posted By: 2-piper
It doesn't really show in the drawing but if you do the math you will find the rim set has a 25 face & ends in a short parallel diameter behind the face. On the 12 gauge rim seat for instance you will have about a .025 deep section @ .885" diameter & then the 25 ace which goes to a total depth of .065". According to "Plans & Specifications" drawings by 1935 the 16 gauge bore had been increased to .662" diameter & the 20 gauge shell had been lengthened to 2 3/4". 16 gauge remained @ 2 9/16". .410 chambers had been added in both 2" & 3".
That 1 7/8" in 12" taper of the cone in the 1907 drawing figures to an angel of 417'21". By the 1935 drawings the cones had been lengthened with an angle of;
12 gauge = 31'; 16 & 20 gauges = 3 13' & .410 = 226'
in the 12, 16 & 20 gauges this would give cone lengths of approximately 5/8". In the .410 even though the angle is shallower there is less difference in chamber & bore diameters so the cone would fall a bit short of 5/8" (.625") @ about .600". By today's standards these are still considered short cones but over the years have functioned well with a wide variety of shells beginning with those wadded with card & felt & on into the plastic era. I see little reason to change one of them.


You may want to double check your trig.
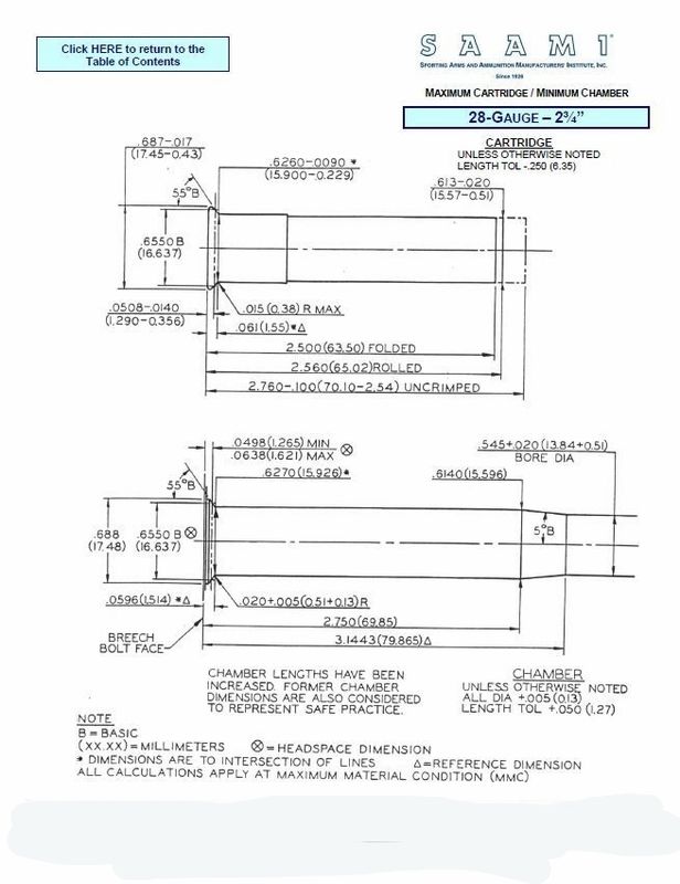
This is a modern chamber/cone drawing. It typifies the modern cone considered to be longer than many early 20th century guns. As you can see, it has a 5* angle per side or 10* included angle cone. A 3* cone measured from either the barrel axis or normal to the barrel axis doesn't jive.